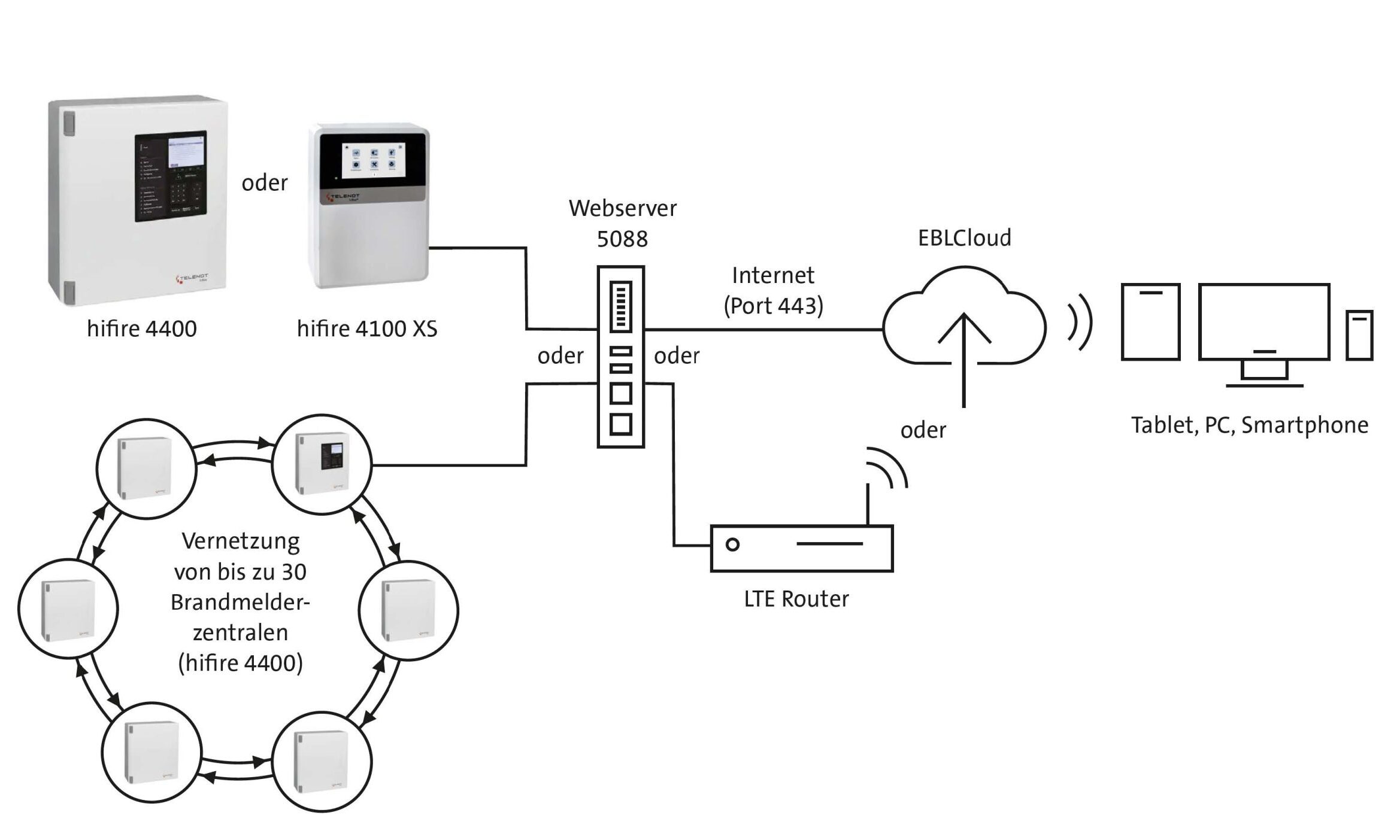
Die Telenot Electronic GmbH, Aalen, hat für ihre Brandmeldesysteme die „EBL-Cloud“ auf den Markt gebracht. Laut Hersteller ermöglicht diese den digitalen Zugriff gemäß DIN EN 50710 „Anforderungen an die Bereitstellung von sicheren Ferndiensten für Brandsicherheitsanlagen und Sicherheitsanlagen“ (2022) und DIN CLC/TS 50136 Teil 10 „Alarmanlagen – Alarmübertragungsanlagen und -einrichtungen: Anforderungen für den Fernzugriff“ (2022). Damit sei sowohl die Brandmelderzentrale „hifire 4400“ als auch auf die Brandwarnanlage „hifire 4100 XS“ in der Lage, bei jedem Fernzugriff eine gesicherte Datenverbindung aufzubauen. Das neue Cloudsystem stelle ferner sicher, dass Betreiber und Servicepartner den Überblick über ihre Brandmeldeanlagen behalten. Dafür visualisiert ein Ampelsystem den Anlagenzustand. Störungen werden sofort sichtbar, so Telenot. Ergänzend liefern Daten in Echtzeit eine Einschätzung der einzelnen Melder.
cci319851
Jede Art der Vervielfältigung, Verbreitung, öffentlichen Zugänglichmachung oder Bearbeitung, auch auszugsweise, ist nur mit gesonderter Genehmigung der cci Dialog GmbH gestattet.



